Тачка.Ру +7 (495) 120-10-50
Ищем...

Фаркоп Мотодор под американский квадрат для Toyota Land Cruiser 300 2021-2026. Фланцевое крепление. Артикул 92525-E

Бренд: Мотодор — Трио-Сервис (Россия) Артикул: 92525-E
11 340 ₽

✓ В наличии: 6

Доставка: 28 апреля (вт)

Цена доставки: Бесплатно

Самовывоз: 27 апреля (пн)

Характеристики

Вес 9,1 кг
Толщина 8 мм
Вырез бампера Нет
Демонтаж бампера Нет
Нагрузка 2500/100
Электрика Приобретается отдельно
Тип шара E (оцинкованный)
Двигатель Бензиновый, дизельный
Размер 400x175x220 мм
Крепление крюка Крюк легкосъемный под американский квадрат
Привод Полный
Габариты в упаковке 40x17,5x22 см

С этим товаром покупают

Аналогичные товары

Популярные товары в этой категории:

Популярные товары

Популярные товары для вашего авто

Запчасти и расходники для вашего авто

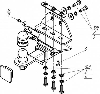
Описание

Установку ТСУ допускается производить только в сертифицированных установочных центрах.
Запрещается эксплуатация ТСУ с затянутым фиксирующим болтом!
1. Для удобства монтажа демонтировать пластиковую заглушку в бампере.
2. В штатные резьбовые отверстия установить ТСУ при помощи болтов М12х40х1,25 с шайбами и гр. шайбами 12 согласно схеме установки.
3. Закрепить подрозетник при помощи болта М8х10 и шайбы 8.
4. Установить вставку с шаром, закрепить её пальцем при помощи шплинта (либо установить заглушку и закрепить её болтом М10х20).
5. Затянуть все крепёжные элементы с необходимым усилием. Вернуть на место пластиковую заглушку.
6. Выполнить электромонтаж розетки световой сигнализации.
11 340 ₽

Выберите город

Нажмите «Найти» или Enter — мы определим город и выберем ближайшее почтовое отделение по индексу.

Популярные города

Город не найден

Введите 6 цифр индекса

Вход в личный кабинет

Введите номер телефона для получения кода подтверждения.

Напишите нам в WhatsApp — вы войдёте автоматически.

Открыть WhatsApp

Пункты выдачи

В вашем городе нет пунктов выдачи