Фаркоп Auto-Hak для BMW 3 G20 седан 2019-2026, вкл. M пакет, кроме M3, кроме M Performance. Быстросъемный крюк. Артикул B 30V
Фаркоп Auto-Hak для BMW 3 G20 седан 2019-2026, вкл. M пакет, кроме M3, кроме M Performance. Быстросъемный крюк. Артикул B 30V
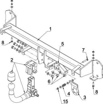
Характеристики
| Вес | 17,7 кг |
| Вырез бампера | Невидимый |
| Демонтаж бампера | Да |
| Нагрузка | 1980/100 |
| Электрика | Приобретается отдельно |
| Тип шара | V |
| Особенности авто | Подходит для комплектации M пакет. Не подходит для M3, M Performance |
| Крепление крюка | Быстросъемный крюк вертикального крепления |
С этим товаром покупают
Аналогичные товары
Популярные товары в этой категории:
Перевозка грузов на фаркопе
Крепления для велосипедов на фаркоп
Описание
|
|
Фаркоп с автоматической быстросъемной системой снятия крюка Auto-Hak - несомненно, самый популярный товар этого производителя благодаря его характеристкам и высокому качеству, которое получило широкое признание у автомобилистов многих стран. Это подтверждено многочисленными наградами, сертификатами согласований, а также ISO 9001:2000 Системы качества. В ассортименте компании фаркопы различных модификаций для более чем 1000 моделей автомобилей. Потребители ценят продукцию AUTO-HAK за простоту и надежность их эксплуатации, а также за выразительный дизайн, придающий некоторую брутальность облику авто. |
|
Автоматическая быстросъемная система AUTO-HAK с горизонтальным креплением крюка (обозначается буквой А в конце артикула)
|
![]() ![]() |
|
Автоматическая быстросъемная система AUTO-HAK с вертикальным креплением крюка (обозначается буквой V в конце артикула)
|
|




