Тачка.Ру +7 (495) 120-10-50
Ищем...

Фаркоп Мотодор оцинкованный для Geely Atlas Pro 2022-2026. Артикул 94204-A

Бренд: Мотодор — Трио-Сервис (Россия) Артикул: 94204-A
11 340 ₽

✓ В наличии: 15

Доставка: 15 апреля (ср)

Цена доставки: Бесплатно

Самовывоз: 14 апреля (завтра)

Характеристики

Вес 15,1 кг
Материал Сталь 8 мм
Толщина 8 мм
Вырез бампера Нет
Нагрузка 75/1500
Электрика Приобретается отдельно
Тип шара A, Оцинкованный
Двигатель Бензиновый, V - 1,5
Размер 1000x255x120 мм
Крепление крюка Условно съемный крюк (на болтах)
Привод Передний, полный

С этим товаром покупают

Аналогичные товары

Популярные товары в этой категории:

Популярные товары

Популярные товары для вашего авто

Запчасти и расходники для вашего авто

Описание

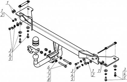
Установку ТСУ допускается производить только в сертифицированных установочных центрах. 1. Снять задний бампер и его усилитель.
2. В штатные отверстия в задней панели кузова установить внутрь лонжеронов закладные планки и к нижней полке лонжеронов прикрепить кронштейны при помощи болтов М10х30 с шайбами и гр. шайбами 10.
3. На штатные точки крепления усилителя бампера прикрепить балку ТСУ при помощи гаек М8 с шайбами 8, 4. Прикрепить кронштейны к балке ТСУ при помощи болтов М10х30, с шайбами и гр. шайбами 10.
5. Установить усилитель бампера на место, подложив под наружные гайки крепления по 2 шайба 8 из комплекта крепежа. 6. Установить задний бампер. 7. Установить шар и подрозетник, затянуть все крепёжные элементы с необходимым усилием. 8. Выполнить электромонтаж розетки световой сигнализации.
11 340 ₽

Выберите город

Популярные города

Город не найден

Вход в личный кабинет

Введите номер телефона для получения кода подтверждения.

Напишите нам в WhatsApp — вы войдёте автоматически.

Открыть WhatsApp

Пункты выдачи

В вашем городе нет пунктов выдачи