Т ТАЧКА.ру АВТОЗАПЧАСТИ
Ищем...
Доставка Подбор по VIN Телеграм Макс VK Способы оплаты О компании Контакты

Фаркоп Мотодор (оцинк. Шар) под американский квадрат для Haval Dargo 2022-2026. Артикул 93113-E

Бренд: Мотодор — Трио-Сервис (Россия)
Артикул: 93113-E
// ДОСТАВКА

Доставка: 26 мая (вт)

Цена доставки: Бесплатно

Самовывоз: 25 мая (завтра)

Характеристики

Вес 16,8 кг
Толщина 8 мм
Вырез бампера Нет
Нагрузка 75/2000
Электрика Приобретается отдельно
Тип шара E
Двигатель V - 2,0, бензиновый
Размер 840x250x210 мм
Крепление крюка Под американский квадрат
Привод Полный

С этим товаром покупают

Аналогичные товары

Популярные товары в этой категории:

Популярные товары

Популярные товары для вашего авто

Описание

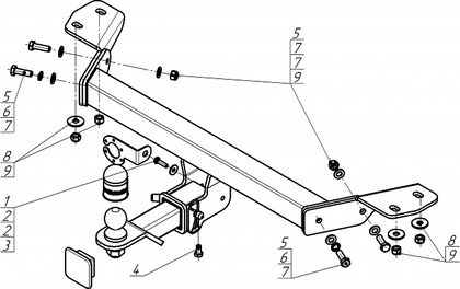
Установку ТСУ допускается производить только в сертифицированных установочных центрах.
Запрещается эксплуатация ТСУ с затянутым фиксирующим болтом!
1. Прикрепить боковые кронштейны на штатные шпильки при помощи гаек М12 с шайбами 12.
2. Закрепить балку ТСУ между боковыми кронштейнами при помощи болтов М12х40, гаек М12 с шайбами и гр. шайбами 12.
3. Закрепить подрозетник при помощи болта М8х30 и гайки М8 с двумя шайбами 8.
4. Установить вставку с шаром, закрепить её пальцем при помощи шплинта (либо установить заглушку и закрепить её болтом М10х20).
5. Затянуть все крепёжные элементы с необходимым усилием.
6. Выполнить электромонтаж розетки световой сигнализации.
● 25 ШТ
14 100
// ГОРОД ДОСТАВКИ

ВЫБЕРИТЕ ГОРОД

Доставка, цены и наличие зависят от выбранного города.

Нажмите «Найти» или Enter — мы определим город и выберем ближайшее почтовое отделение по индексу.

// ПОПУЛЯРНЫЕ

Город не найден

Введите 6 цифр индекса

//

ВХОД ПО SMS ВВЕДИТЕ КОД ВХОД ЧЕРЕЗ WHATSAPP

Отправим одноразовым кодом — без паролей.

Код отправлен на

Напишите нам в WhatsApp — вы войдёте автоматически.

ОТКРЫТЬ WHATSAPP
ЗАЩИЩЁННОЕ СОЕДИНЕНИЕ ТАЧКА.РУ
// ПУНКТ ВЫДАЧИ

ВЫБЕРИТЕ ПВЗ

В вашем городе нет пунктов выдачи