Тачка.Ру +7 (495) 120-10-50
Ищем...

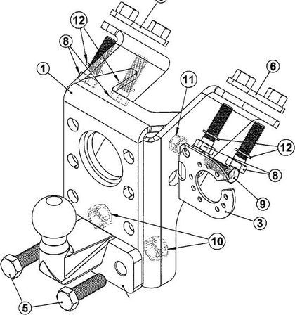
Фаркоп Westfalia для Mercedes-Benz G-Класс W463 (только для а/м с бампером) 1990-2026. Фланцевое крепление. Артикул 313320600001

Бренд: Westfalia — Westfalia (Германия) Артикул: 313320600001

Характеристики

Вес 12
Вырез бампера Нет
Нагрузка 3500/140
Электрика Приобретается отдельно
Тип шара F30
Установка от 3000 руб. (c подключением электрики)
Крепление крюка Фланцевое крепление (на 2-х болтах)
Прочее Только для бамперов из двух частей

С этим товаром покупают

Аналогичные товары

Популярные товары в этой категории:

Перевозка грузов на фаркопе

Крепления для велосипедов на фаркоп

Подключение фаркопа

Подключение без блока согласования

Подключение с блоком согласования

Популярные товары

Популярные товары для вашего авто

Запчасти и расходники для вашего авто

Выберите город

Популярные города

Город не найден

Вход в личный кабинет

Введите номер телефона для получения кода подтверждения.

Напишите нам в WhatsApp — вы войдёте автоматически.

Открыть WhatsApp

Пункты выдачи

В вашем городе нет пунктов выдачи