Т ТАЧКА.ру АВТОЗАПЧАСТИ
Ищем...
Доставка Подбор по VIN Телеграм Макс VK Способы оплаты О компании Контакты

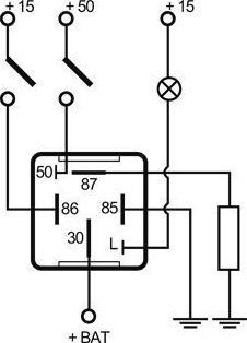
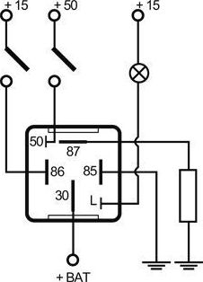
Реле предпускового подогрева Mahle. Артикул MHG 45

Бренд: Mahle — MAHLE Aftermarket GmbH (Германия)
Артикул: MHG 45
ЦЕНА
5 045
НЕТ В НАЛИЧИИ

Характеристики

Комплектность С кронштейном
Номинальное напряжение 12 V
Количество полюсов 6
Торговые номера 72473848, TPPF/6-12
Номер EAN/Штрих-код 8436034411833
Время преднакаливания 2 сек

Описание

Кросс коды

  • FORD - 1630263
  • FORD - 1630363
  • FORD - 1652479
  • FORD - 6132248
  • FORD - 6171402
  • FORD - 6194291
  • FORD - 6570370
  • FORD - 6756611
  • FORD - 6756612
  • FORD - 68477572
  • FORD - 84FB006M092BA
  • FORD - 84FB006M092CB
  • FORD - 84FB6M092BA
  • FORD - 84FB6M092CA
  • FORD - 84FB6M092CB
  • FORD - 89FB6M092AA
  • FORD - 89GB6M092AA
  • FORD - 90BB6M092AA
  • FORD - 90BB6M092BA
  • FORD - 90BB6M092BB
  • FORD - 90BB6M092CA
  • MERCEDES-BENZ - 0015450532
  • MERCEDES-BENZ - 0015459832
  • MERCEDES-BENZ - 0025450632
  • MERCEDES-BENZ - 0025450932
  • MERCEDES-BENZ - A0015450532
  • MERCEDES-BENZ - A0015459832
  • MERCEDES-BENZ - A0025450632
  • MERCEDES-BENZ - A0025450932
// ГОРОД ДОСТАВКИ

ВЫБЕРИТЕ ГОРОД

Доставка, цены и наличие зависят от выбранного города.

Нажмите «Найти» или Enter — мы определим город и выберем ближайшее почтовое отделение по индексу.

// ПОПУЛЯРНЫЕ

Город не найден

Введите 6 цифр индекса

//

ВХОД ПО SMS ВВЕДИТЕ КОД ВХОД ЧЕРЕЗ WHATSAPP

Отправим одноразовым кодом — без паролей.

Код отправлен на

Напишите нам в WhatsApp — вы войдёте автоматически.

ОТКРЫТЬ WHATSAPP
ЗАЩИЩЁННОЕ СОЕДИНЕНИЕ ТАЧКА.РУ
// ПУНКТ ВЫДАЧИ

ВЫБЕРИТЕ ПВЗ

В вашем городе нет пунктов выдачи