Т ТАЧКА.ру АВТОЗАПЧАСТИ
Ищем...
Доставка Подбор по VIN Телеграм Макс VK Способы оплаты О компании Контакты

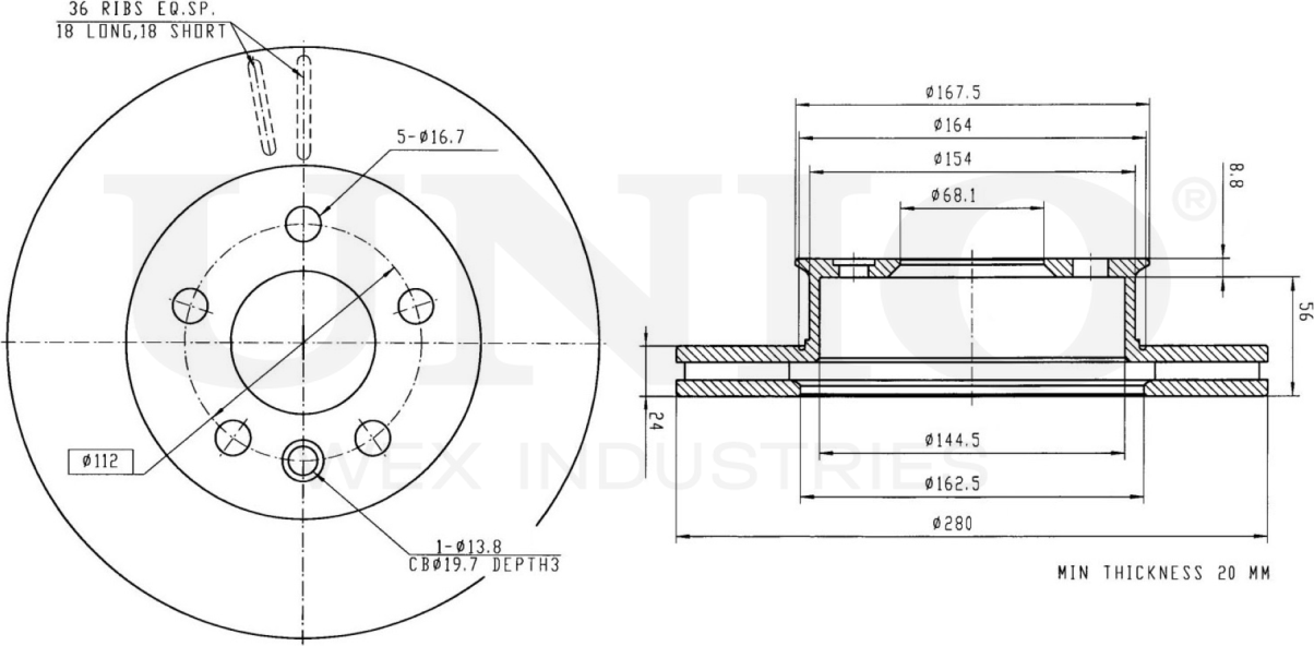
Диск тормозной (Unio). Артикул BRD-20435

Бренд: Unio — Векс Индастриз (Россия)
Артикул: BRD-20435
ЦЕНА
4 390
8 ШТ
// ДОСТАВКА

Доставка: 29 мая (пт)

Цена доставки: 300 ₽ (бесплатно от 7000 руб)

Самовывоз: 29 мая (пт)

Описание

Кросс коды

● 8 ШТ
4 390
// ГОРОД ДОСТАВКИ

ВЫБЕРИТЕ ГОРОД

Доставка, цены и наличие зависят от выбранного города.

Нажмите «Найти» или Enter — мы определим город и выберем ближайшее почтовое отделение по индексу.

// ПОПУЛЯРНЫЕ

Город не найден

Введите 6 цифр индекса

//

ВХОД ПО SMS ВВЕДИТЕ КОД ВХОД ЧЕРЕЗ WHATSAPP

Отправим одноразовым кодом — без паролей.

Код отправлен на

Напишите нам в WhatsApp — вы войдёте автоматически.

ОТКРЫТЬ WHATSAPP
ЗАЩИЩЁННОЕ СОЕДИНЕНИЕ ТАЧКА.РУ
// ПУНКТ ВЫДАЧИ

ВЫБЕРИТЕ ПВЗ

В вашем городе нет пунктов выдачи