Защита Мотодор для картера, КПП Skoda Fabia I 1999-2006. Артикул 02306
Мотодор
— Трио-Сервис (Россия)
Артикул: 02306
Нет в наличии
Характеристики
| Вес | 9,04 кг |
| Материал | Сталь |
| Толщина | 2 мм |
| Листов | 1 |
| Двигатель | Все |
| Размер | 592х934,5 мм |
Аналогичные товары
Популярные товары в этой категории:
Описание
|
|
Компания "ТриоСервис" уже более 10 лет является одним из крупнейших изготовителей защит агрегатов днища автомибиля в России, которые производит под ставшим очень известным среди отечественных автовладельцев и в странах СНГ брендом "Мотодор". |
|
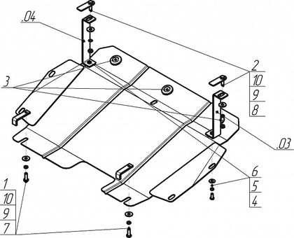
Характеристика защиты "Мотодор" для элементов днища автомашины:
|
![]() |
|
Алюминиевые защиты "Мотодор" изготовлены штамповкой из листа толщиной 5 и 8 мм, покрываются эпоксидной краской серии Interpon 100 серого цвета. Легче стальных той же толщины, имеют длительный срок эксплуатации. Большая, чем у стальных, теплопроводность материала защиты способствует лучшему отводу тепла от работающего силового агрегата автомобиля.
|
![]() |
| Cтальная защита "Мотодор" изготавливается из горячекатаной стали, толщиной 2 и 3 мм и из нержавеющей стали, толщиной 3 мм. Изделия покрываются черной порошковой краской, обладающей высокими защитными механическими свойствами.Комплектуются оцинкованным крепежом 8.8 класса прочности. Многие модели имеют отверстия для технического обслуживания двигателя (смена фильтров, слив масла). Элементы крепления защит для внедорожников (кронштейны) усилены ребрами жесткости. | ![]() |
| Оцинкованные защиты "Мотодор" производятся из листовой оцинкованной стали толщиной 2 мм, что придает долговечность изделию, благодаря высокой антикоррозийной устойчивости материала. Это один из лучших видов защиты для термоизоляции моторного отсека и улучшения аэродинамики днища. | ![]() |





